咨询热线
15008446624/18183285672

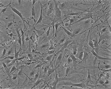
OP9 

基本信息

B26231

OP-9

OP9

活细胞(默认)或干冰寄送

培养方法

80%MEMα+20% FBS

Temperature: 37°C ; Carbon dioxide (CO₂), 5%

贴壁细胞

90% FBS(优质) + 10% DMSO;存于液氮中

详细说明

质保:必欧承诺对细胞质量永久质保!永久售后!
承诺:本库细胞均经过支原体检测(PCR assay)、内毒素检测等质检。相关检测报告及STR鉴定报告将随细胞发给您。我们只提供“低代数”细胞并且严格遵循《Culture of Animal Cells,7th Edition》规定,力求做好每一个细节!


快速订购  

* 请留下真实的信息!我们会在第一时间联系您。

或者拨打 15008446624/18183285672 进行咨询

*请留下真实的信息!注意信息是否有误。   

15008446624/18183285672

bio_sichuan@163.com

成都市高新区科园南路88号

如何联系我们
© Copyright 2017 ALL Rights Reserved 四川必欧生物科技有限公司 蜀ICP备2022015424号 成都网站建设今网科技